全国2007年7月高等教育自考钢结构试题
全国2007年7月高等教育自考
钢结构试题
课程代码:02442
一、单项选择题(本大题共20小题,每小题2分,共40分)
在每小题列出的四个备选项中只有一个是符合题目要求的,请将其代码填写在题后的括号内.错选、多选或未选均无分.
1.关于建筑结构钢材的特点,下列说法中错误的是( )
A.钢材具有良好的塑性,达到拉伸极限而破坏时,应变可达20%~30%
B.钢材具有良好的焊接性能,采用焊接结构可以使钢结构的连接大为简化
C.钢结构的耐腐蚀性很好,适合在各种恶劣环境中使用
D.钢结构的耐热性很好,但耐火性能很差
2.建筑结构钢材发生脆性破坏是由于( )
A.钢材是塑性较差的材料
B.结构的构造不合理或工作条件差
C.钢材的强度较混凝土高很多,更容易发生脆性破坏
D.钢材的使用应力超过屈服点
3.有时要求钢材应具有Z向收缩率指标的要求,是为了( )
A.检验钢材的塑性变形能力能否达到建筑结构用钢的要求
B.检查金属内部是否有非金属杂质等缺陷
C.防止厚板在焊接时或承受厚度方向的拉力时,发生层状撕裂
D.防止有动力荷载作用时,钢材发生低温脆断
4.单向拉伸试验时,下列四种试件中,延性最好和强度最高的是( ) 
A.1的延性最好,4的强度最高
B.2的延性最好,1的强度最高
C.3的延性最好,1的强度最高
D.4的延性最好,2的强度最高
5.关于Q235A级钢,其中各符号的含义是( )
A.235表示钢材的屈服强度设计值;A表示级别,应具有20℃下不小于27J的冲击功要求
B.235表示钢材的屈服强度标准值;A表示级别,应具有20℃下不小于27J的冲击功要求
C.235表示钢材的屈服强度设计值;A表示级别,对冲击功没有要求
D.235表示钢材的屈服强度标准值;A表示级别,对冲击功没有要求
6.在承受静力荷载的角焊缝连接中,与侧面角焊缝相比,正面角焊缝( )
A.承载能力高,同时塑性变形能力也较好
B.承载能力高,而塑性变形能力却较差
C.承载能力低,而塑性变形能力却较好
D.承载能力低,同时塑性变形能力也较差
7.采用高强度螺栓摩擦型连接,承受剪力作用,在达到极限状态之前( )
A.摩擦面产生滑动,栓杆与孔壁产生挤压力
B.摩擦面产生滑动,栓杆与孔壁不产生挤压力
C.摩擦面不产生滑动,栓杆与孔壁不产生挤压力
D.摩擦面不产生滑动,栓杆与孔壁产生挤压力
8.普通螺栓承压承载力设计值的计算公式为:NCb=d·∑tfbC,其中d和∑t的含义是( )
A.d为螺栓孔直径,∑t为同一受力方向承压构件厚度之和的较小值
B.d为螺栓直径,∑t为同一受力方向承压构件厚度之和的较小值
C.d为螺栓孔直径,∑t为同一受力方向承压构件厚度之和的较大值
D.d为螺栓直径,∑t为同一受力方向承压构件厚度之和的较大值
9.在下列因素中,对轴心压杆整体稳定承载力影响不大的是( )
A.荷载偏心的大小
B.截面残余应力的分布
C.构件中初始弯曲的大小
D.螺栓孔的局部削弱
10.如图所示焊接组合工字形轴心压杆,一般情况下(当板件不是很薄时)杆件的整体失稳形式是( )
A.绕y轴的弯扭失稳
B.绕y轴的弯曲失稳
C.绕x轴的弯曲失稳
D.绕z轴的扭转失稳
11.为保证轴压钢柱腹板的局部稳定,应使其高厚比不大于某一限值,此限值( )
A.与钢材的强度和柱的长细比均有关
B.与钢材的强度有关,而与柱的长细比无关
C.与钢材的强度无关,而与柱的长细比有关
D.与钢材的强度和柱的长细比均无关
12.某竖直向下均布荷载作用下的两端简支工字形钢梁,关于荷载作用位置对其整体稳定性的影响,叙述正确的是( )
A.当均布荷载作用于上翼缘位置时稳定承载力较高
B.当均布荷载作用于中和轴位置时稳定承载力较高
C.当均布荷载作用于下翼缘位置时稳定承载力较高
D.荷载作用位置与稳定承载力无关 
A.(a)
B.(b)
C.(c)
D.(d)
15.设计焊接组合截面梁时,通常要事先估计梁的高度取值范围,一般来说梁的最大高度是由建筑高度所决定的,而梁的最小高度一般是由下列哪项决定的?( )
A.梁的整体稳定要求
B.梁的局部稳定要求
C.梁的强度要求
D.梁的刚度要求
16.偏心受压构件稳定计算公式中的等效弯矩系数βmx与下列哪项有关?( )
A.端弯矩和横向荷载
B.端弯矩和轴向荷载
C.长细比和横向荷载
D.长细比和轴向荷载
17.偏心受压柱的柱脚同时承受弯矩和轴力作用,导致柱脚底板与基础之间的应力分布不均匀,设计时要求上述最大压应力不应超过( )
A.底板钢材的抗压强度设计值
B.底板钢材的端面承压强度设计值
C.基础混凝土的抗压强度设计值
D.基础混凝土的抗剪强度设计值
18.选择钢屋架的角钢杆件截面时,应注意选用( )
A.肢宽而厚的角钢
B.肢宽而薄的角钢
C.肢窄而厚的角钢
D.肢窄而薄的角钢
19.钢屋架杆件采用双角钢截面时,节点板的厚度是根据( )
A.屋架所受最大的集中荷载确定的
B.屋架的支座反力确定的
C.屋架的整体刚度确定的
D.屋架腹杆最大杆力确定的
20.钢屋架体系中上弦横向水平支撑的主要作用是( )
A.为屋架上弦杆件提供侧向支承点
B.承担吊车产生的横向水平荷载
C.承担并传递屋面的竖向荷载
D.为柱子提供侧向支承点
二、填空题(本大题共10小题,每小题1分,共10分)
请在每小题的空格中填上正确答案.错填、不填均无分.
21.钢结构需要验算构件的强度和稳定等是否能够满足设计要求,这种极限状态称为___________极限状态.
22.碳是钢材中除铁以外含量最多的元素,随着含碳量的提高,钢材的___________会逐渐提高,但钢材的塑性和韧性却逐渐降低.
23.钢材在连续的循环荷载作用下,当循环次数达到某一定值时,钢材会发生突然断裂破坏的现象,称为钢材的___________.
24.钢结构设计规范规定:角焊缝长度不得小于___________和40mm.
25.焊接残余应力对构件的静力强度没有明显影响,但会___________构件的刚度和稳定性.
26.为保证螺栓连接中被连接板件不会发生冲剪破坏,要求螺栓孔的端距不得小于_______.
27.为提高钢梁的整体稳定性,侧向支撑点应设在钢梁的___________翼缘.
28.钢梁的整体稳定系数
是按弹性稳定理论确定的,为了考虑钢梁的弹塑性性能,并计入残余应力的影响,当按规范公式算得的
______时,说明梁将在弹塑性阶段失稳,应使用
代替
. 29.钢结构偏心受压构件强度和稳定计算中的塑性发展系数
与______有关. 30.假设梯形钢屋架中构件的几何长度(节点中心间距)为l,则除了端斜杆之外的其它腹杆在平面内的计算长度为______.
三、计算题(本大题共5小题,每小题6分,共30分)
31.如图所示双角钢与节点板采用侧面角焊缝相连,N=450kN,角钢为2L100×10,节点板厚度t=8mm,钢材为Q235B,手工焊,焊条为E43系列,ffw=160N/m2,试确定所需焊脚尺寸及焊缝长度.(提示:K1=0.7,K2=0.3)
32.如图所示翼缘与节点板之间采用10.9级M20高强螺栓摩擦型连接,螺栓孔直径d0=21.5mm,钢材为Q235B,接触面喷砂后涂富锌漆,μ=0.35,预拉力P=155kN,外荷载设计值N=268.3kN,试验算此连接是否可靠.
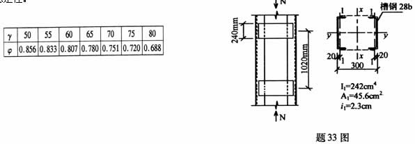
33.如图所示轴心受压缀板式格构柱,轴向压力N=1460kN,柱高7.2m,两端铰接,钢材的强度设计值f=215N/mm2,两个柱肢截面面积为A=2×45.6=91.2cm2,缀板间距、单肢截面几何特征已在图中注明.试验算此柱绕虚轴的稳定性.
四、分析题(8分)
36.轴心受压柱典型的柱头形式如图所示.
①请在图中标出柱头节点中与连接和构造有关的各部分零件的名称;
②请给出此柱头节点的传力过程和传力方式.
本文标签:山东自考 历年真题 全国2007年7月高等教育自考钢结构试题
转载请注明:文章转载自(http://www.sdzk.sd.cn)
《山东自考网》免责声明:
1、由于各方面情况的调整与变化,本网提供的考试信息仅供参考,考试信息以省考试院及院校官方发布的信息为准。
2、本站内容信息均来源网络收集整理,标注来源为其它媒体的稿件转载,免费转载出于非商业性学习目的,版权归原作者所有,如有内容与版权问题等请与本站联系,本站将第一时间尽快处理删除。联系邮箱:812379481@qq.com。





